中国政府网
工业和信息化部
陕西省人民政府
本站支持IPv6
无障碍阅读
长者模式
简体
繁体
登录
注册
首页
新闻动态
机构设置
政府信息公开
政务服务
政民互动
产业发展
机关建设
厅务要闻
11
2026.02
正泰电气西北产业园数智化改造暨新兴产业...
2026年2月10日,正泰电气西北产业园数智化改造暨新兴产业项目对接活动在咸阳市秦都区装备制造产业园区成功举办。全国政协常...
首届中国消费名品产业创新大赛闭幕式在陕西西安举行
2026-02-10
省工业和信息化厅召开企业研发机构建设工作推进会
2026-02-05
省工信厅在西安市开展电子信息行业专题调研
2026-01-30
特能集团董事长杨世泽一行来省工业信息化厅座谈交流
2026-01-29
省工业和信息化厅召开2025年度基层党组织书记抓党建工作述职评议考核大会
2026-01-26
全省工业和信息化工作会议在西安召开
2026-01-22
工作动态
地市新闻
省工信厅政策宣讲组赴渭南、韩城、铜川市开展惠企政策宣讲活动
2026-02-09
“一月一链”的陕西实践:从单点突破到生态赋能
2026-02-09
陕西省工业和信息化厅举办第四期“年轻干部课堂”
2025-12-29
陕西省工业和信息化厅召开行业协会工作会议党建引领行业自律 推动协会健康发展
2025-12-25
省工业和信息化厅召开中小企业数字化转型城市试点工作会
2025-12-17
陕西省智能制造现场会暨“智能制造进园区”专项活动成功举办
2025-12-15
陕西省代表队在第三届全国工业和信息化技术技能大赛中斩获佳绩
2025-11-28
陕西省工业和信息化厅举办第三期“年轻干部课堂”
2025-11-26
榆林市工信局联合通信运营商圆满完成省一冬会通信网络保障任务
2026-02-13
宝鸡高新区新增两个省级先进级智能工厂标杆项目
2026-02-12
汉中市工业企业数字化转型暨“人工智能+制造融合发展”对接会召开
2026-02-03
安康市工信局开展春节前食盐安全保供专项检查
2026-01-29
榆林市工信局荣获“全省工业和信息化系统先进单位”称号
2026-01-29
在2025年全国老工业城市转型发展政策培训班上,宝鸡作为西北地区唯一代表,向全国分享转型经验——一个老工业城市的破旧立新
2026-01-29
“送政策 优服务”韩城市召开工业惠企政策宣贯会
2026-01-28
商洛市工信局被表扬为全省工业和信息化系统先进单位
2026-01-26
机构设置
主要职责
领导成员
内设机构
厅属单位
市(区)工信部门
领导成员
党组书记、厅长:
韩宏琪
党组成员、副厅长:
刘 波
党组成员、副厅长:
张康宁
党组成员、副厅长:
朱 磊
党组成员、副厅长:
张 勇
党组成员、驻厅纪检监察组组长:
赵海娥
一级巡视员:
王殿坤
二级巡视员:
羌 薇
二级巡视员:
郭正强
二级巡视员:
相红如
栏目列表
发展快报
产业政策
工业法规
运行监测
规划投资
产业链推进
科技动态
高新技术
节能综合利用
安全生产
原材料工业
装备工业
汽车工业
消费品工业
电子信息
无线电管理
信息化产业
招标监管
大数据产业
县域工业
非公经济
融资服务
中小企业服务
企事业管理
盐业管理
机关建设概述
设立了产业政策、工业法规、运行监测、规划投资、科技动态、高新技术、节能综合利用、安全生产、原材料工业、装备工业、汽车工业、消费品工业、电子信息、无线电管理信息化产业、招标监管、大数据、县域工业、非公经济、融资服务、中小企业服务、中小企业发展、盐业管理等栏目。以图文形式展现我省关于工业和信息化领域的产业发展和政策发布以及相关政策解读。
栏目列表
人事管理
财务审计
党风建设
机关党建
老干部工作
平安建设
作风建设专项行动
营商环境突破年
第十四届全国减轻企业负担政策宣传周
报表下载
机关建设概述
设立了财务审计、人事管理、纪检监察、机关党建、老干部工作等栏目。以图文形式展现工业和信息化厅的财务信息、人事考核、党建信息、退休干部关怀等相关工作内容
分享:
扫一扫:分享至微信
X
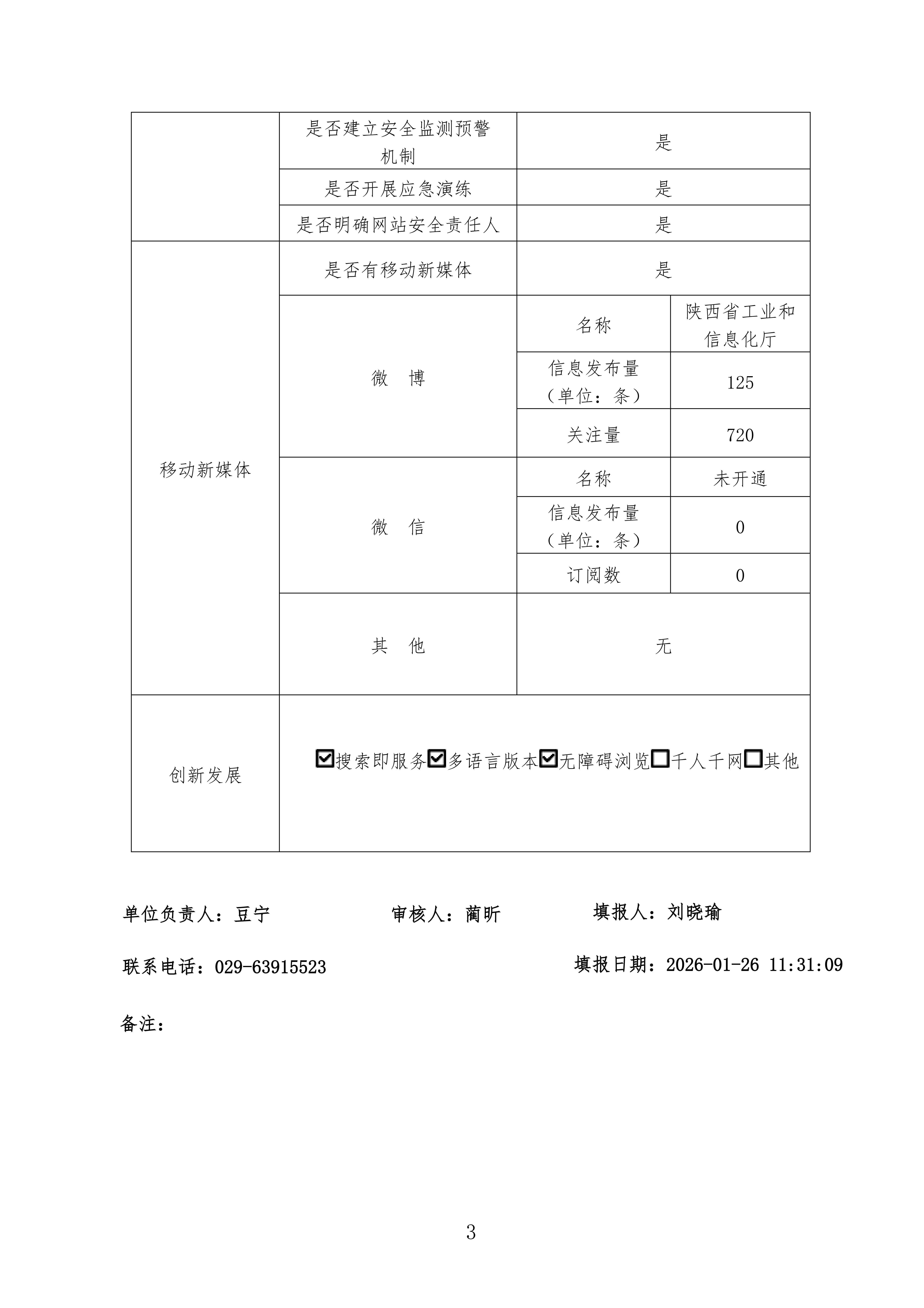
政府网站工作年度报表(2025年度)
首页
>
政府信息公开
>
政府网站年度公开报表
政府网站工作年度报表(2025年度)
时间:
2026-01-26 11:31
|
来源:
分享:
扫一扫:分享至微信
X
扫一扫在手机打开当前页
首页
>
政府信息公开
>
政府网站年度公开报表